【机情无限 精彩毕设】机械2023届毕业设计(论文)中期检查优秀案例分享第十七期——柔性自供电湿度传感器设计与制造

学生姓名:张翔
班半年级:机械(茅班)2019-01班
指导教师:孟祥印,杨婷婷
毕设题目:柔性自供电湿度传感器设计与制造


一、概况
(一)选题意义
柔性自供电湿度传感器设计与制造是一个极具挑战同时具有重要应用价值的问题。现有基于电阻式、电容式和电压式柔性湿度传感器虽然相比于传统传感器在非接触式监测上有显著提升,但是由于现有柔性传感器大多无法实现自供电,所以对于应用场景中需要持续检测数据或者较长时间跨度内多次检测数据的要求难以满足。
本题目通过应用水伏发电理论知识和机械电子专业相关的电路应用技能,以柔性自供电湿度传感器的发电研究为依托,能够训练科研的基本能力,同时研究成果也为人体健康监测、植物蒸腾和人机交互中等相关实际工程应用提供参考,具有巨大潜力。
(二)任务分解
任务分解:
1 查阅相关资料了解湿度传感器的基础理论知识
1.1 了解基于PN结的水伏发电效应
1.2 学习氧化铝膜制备方法
1.3 学习CNT上电极喷涂方法
1.4 学习下电极制备工艺及接线方式
1.5 调整优化膜的各项材料配比,提高传感器效率
2 研究柔性传感器阵列的常用设计方法,并提出改进策略
2.1 学习方形阵列的加工工艺
2.2 探索研究所需的阵列改进结构并完成加工
2.3 优化传感器阵列加工方式,提高加工效率
3 能量转换电路设计
3.1 利用所学电路知识,选择合适的能量收集芯片
3.2 根据整流芯片参数,选取合适的储能元件
3.3 进行调试与电路搭建、测试
3.4 将整流电路与传感器连接,联合调试
3.5 测量数据
4 撰写研究报告
4.1 整理实验数据,并分析系统在电压等性能指标上的表现
4.2 完成必要的图例设计
4.3 完成毕业论文书写工作
4.4 整理论文格式,准备汇报答辩
二、已完成工作
1.阅读文献,收集资料。
从开题到现在,已经完成了对纳流体、等离子体理论和基于PN结的发电原理进行了学习,并阅读了关于纳米材料的书籍。部分文章还进行了阅读笔记的整理,学习其论文写作思路和论证方法。

2.文献翻译
已经完成了文献翻译工作,整理了一篇关于水伏发电的文献。

3. 器件制作
目前已经探索了柔性自供电湿度传感器的原理,材料及工艺,解决了液态金属表面张力等问题。

4.器件测试
对制作的传感器的电压-时间曲线、电流-时间曲线进行采集,并将其变化规律与原理想结合。

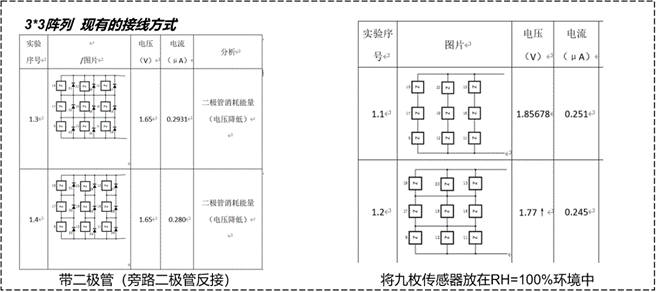
5.阵列制作及接线研究
设计了两种阵列制作方式,并比较了2*2和3*3阵列的不同接线方式下的输出效果。


6.电路选型及测试
LTC3588是一种适用于高压低电流的微功率稳压芯片,专为能量采集和低电流降压而设计拟选用该芯片进行能量储存和电压的转换。并完成了对芯片的特性测试和电容变化对电路的影响。

7.传感器与芯片联合测试
将传感器阵列与芯片连接,通过源表监测电路状态,实现了对负载为3V的计算器的供电。

三、下一步工作计划
4月9日-4月13日 完成并整理电容、电流与电压的数值计算工作。
4月14日-4月20日 完成柔性器件的制作和数据测试。
4月21日-5月1日 不同种类负载与电路系统联合调试,数据采集。
5月2日-5月15日 完成研究报告,即论文主体内容书写和修改,格式修订。

问题一:你目前的毕业设计完成进度如何,进展到哪一步。
回答:我目前已经开始了器件与电路控制的联合调试阶段,较我初期的工作计划略有提前。
问题二:你是如何实现改变器件的湿度环境的,是泡水发电吗?
回答:我的实验环境主要是通过湿气瓶来实现,将器件放置在溶液上方,不同种类饱和溶液湿气瓶的相对湿度不同。

在完成本次毕业设计的过程中,孟祥印老师以及摩擦所的杨婷婷老师课题组给予了很大的帮助。无论是在研究方向的确定、技术路线的选择,还是在实验操作等方面都对我进行了悉心指导,让我的毕设能够顺利进行。本次毕业设计对我今后的科研和学习是一次宝贵的锻炼,也让我对纳流体和水伏发电的理论有了较为系统的理解和认识,我还需继续努力,尽快完成后续工作,把毕业设计做好。